
Product display
Product Details
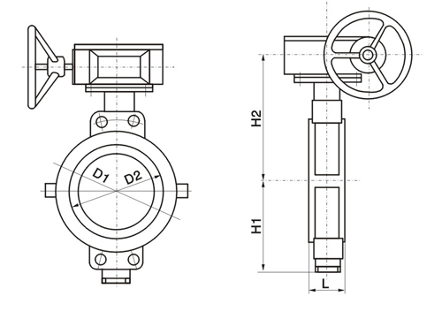
Product name: D71F manual worm gear fluorine lined butterfly valve
The worm gear butterfly valve uses a PTFE lined butterfly plate, which has a spherical sealing surface, and a silicone rubber gasket is installed on the base of the valve seat to adjust the sealing performance of the valve.
The valve is easy to operate and has been tightly sealed with long service life; It can be used to quickly block or regulate the flow. It is applicable when reliable sealing and excellent adjustment characteristics are required. The valve body of the fluorine-lined butterfly valve adopts the split type. The sealing of both ends of the valve shaft is controlled by adding fluorine rubber on the rotating bottom surface between the butterfly plate and the valve seat. The structure of the worm gear butterfly valve is compact and beautiful. Reasonable appearance and technology, reliable performance. Make sure that the valve shaft is not in contact with the fluid medium in the cavity. It is very convenient to replace the valve shaft. The valve can be completed without dismantling the pipe. Linear fluorine butterfly valve is widely used for conveying liquid and gas (including steam) in various types of industrial pipelines. Especially suitable for corrosive media, such as sulfuric acid, hydrofluoric acid, phosphoric acid and chlorine. Strong alkali and other highly corrosive media.



Prev:Butterfly valve
Next:Butterfly valve
Relevant information
If you have any questions, suggestions and products you want to know, you can contact us at any time. Looking forward to your consultation!
Contact us
Online Message